Каталог товаров

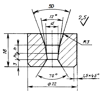
Фильера твердосплавная 1980-0138 ВК8 - купить в магазине РЕЗЕЦ

00007971
цена: 850,00 ₽

Не нашли то, что искали?

Закажите желаемый товар в форме ниже, и мы свяжемся с Вами в течение 10 минут!


Пожалуйста, предоставьте реквизиты или карту партнёра, если вы хотите, чтобы мы сразу выставили вам счёт